Zum Hauptinhalt springen Zur Suche springen Zur Hauptnavigation springen

Kompaktboy SE 71.4 D

Produktinformationen "Kompaktboy SE 71.4 D"

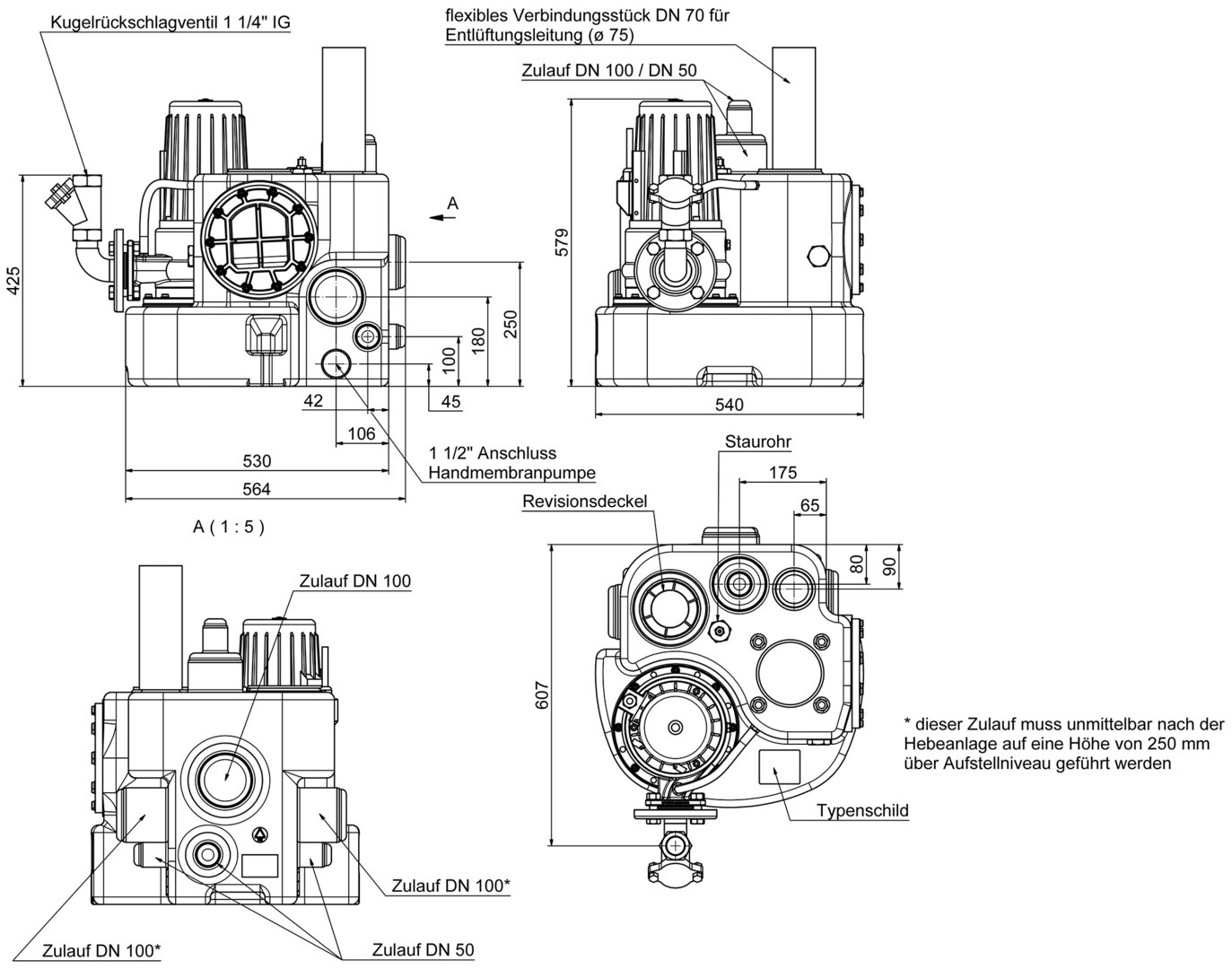
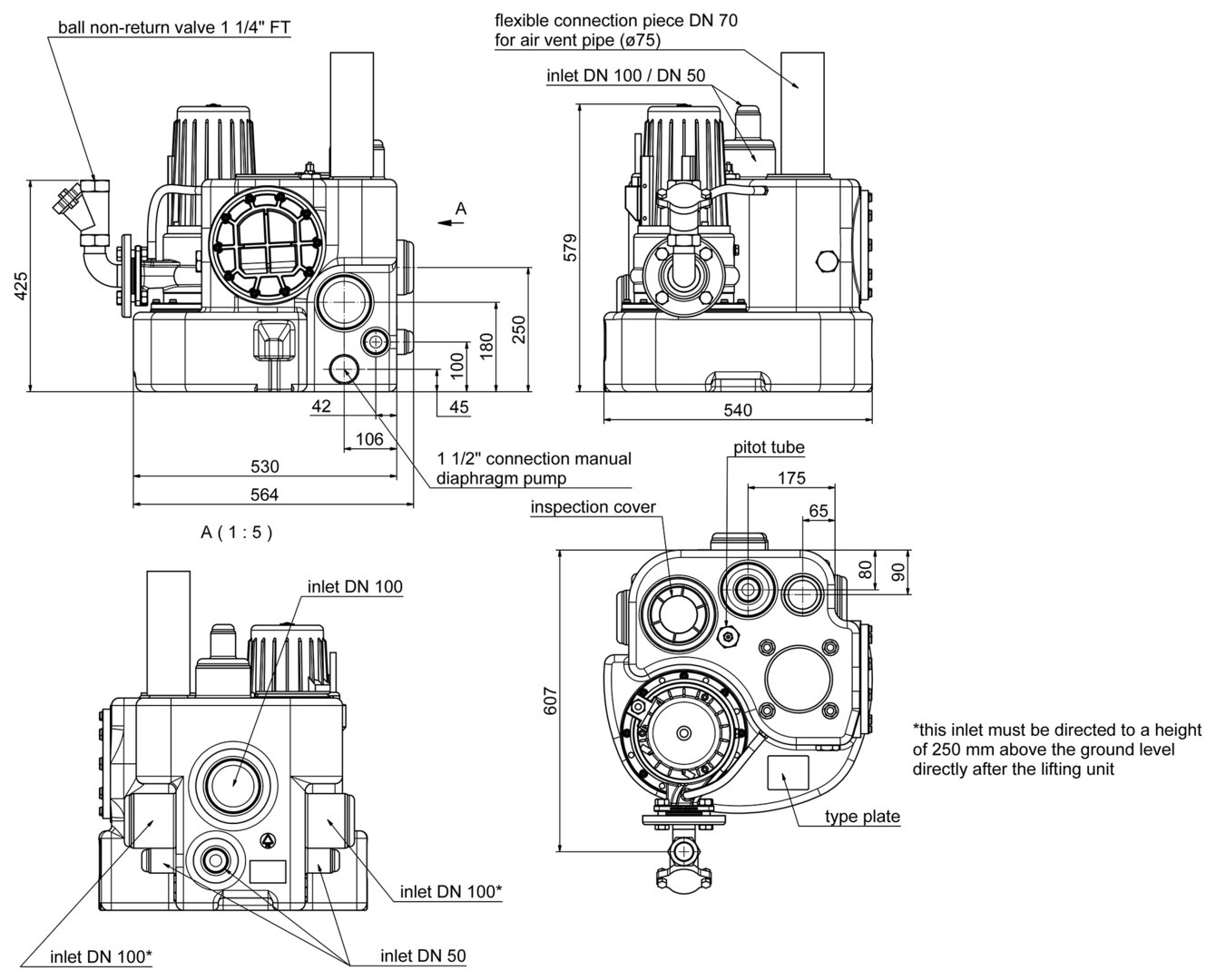
Effiziente Abwasserhebeanlage Kompaktboy SE 71.4 D, 400 Volt, mit Schneidwerkpumpe und Komfortsteuerung, kompakt, geräuscharm und leistungsstark. Mit weiterentwickeltem, robustem einstellbaren Schneidwerk aus korrosionsfester Sonderlegierung

Ausführung
  • Sammelbehälter aus Polyethylen mit 55 l Gesamtinhalt
  • Hebeanlage mit aufgebauter Schneidradpumpe mit robustem, einstellbarem Schneidwerk aus korrosionsfester Sonderlegierung
  • Abdichtung durch 2 Gleitringdichtungen mit dazwischenliegender Ölkammer
  • Druckabgangsflansch DN 50 mit angeflanschtem Pumpenanschlussbogen und Kugelrückschlagventil 1 1/4" Innengewinde
  • Zulauf für HT-Rohr 3 x DN 100 (seitlich) und 1 x DN 50/100 (oben)
  • zusätzliche Anschlüsse 1 ½“ für Handmembranpumpe
  • Entlüftung DN 75 (Ø 75 mm)
  • Betriebsart S3 – 25%
  • Förderguttemperatur max. 55°C
  • Schutzart IP 68
Einsatzgebiete
  • Entsorgung von Abwasser aus Einfamilienhäusern bei größeren Förderhöhen oder langen Druckleitungen
  • zur Überflurinstallation in frostgeschützten Räumen unterhalb der Rückstauebene
  • Einbringung in Schächte mit einer Schachtabdeckung > Ø 590 mm möglich
Lieferumfang
  • fertig montierte Anlage mit 3,5 m Anschlusskabel zum Motor und 3,5 m Pneumatikschlauch zur Steuerung
  • Pumpenanschlussbogen DN 50, 90°
  • Kugelrückschlagventil 1 1/4" Innengewinde
  • flexible Verbindung mit Spannschellen für Entlüftungsleitung
  • inkl. ZPS1: komfortable, pneumatische Niveausteuerung mit Mikrokontroller, LCD-Klartextanzeige für Füllstand, Wartung, Betriebsstunden und Störmeldungen sowie netzabhängige Alarmanlage im Schaltkasten zur Innenraummontage




TECHNISCHE DATEN Herstellerseite

0 von 0 Bewertungen

Durchschnittliche Bewertung von 0 von 5 Sternen

Bewerten Sie dieses Produkt!

Teilen Sie Ihre Erfahrungen mit anderen Kunden.


Produktgalerie überspringen

Accessory Items

Kompaktboy 1,1 W
Kompaktboy 1,1 W

Abwasserhebeanlage Kompaktboy 1,1 W, 230 V, mit Komfortsteuerung, zur Förderung von häuslichem Abwasser. Kompakt, geräuscharm und leistungsstark. Ausführung Sammelbehälter aus Polyethylen mit 55 l Inhalt (19 l – 45 l Schaltvolumen, je nach Zulauftiefe) Freistromradpumpe mit hohem Wirkungsgrad und geringem Laufgeräusch Abdichtung durch Gleitringdichtung und Wellendichtring mit zwischenliegender Ölkammer Zuläufe für HT-Rohr 3 x DN 100, 3 x DN 50 und 1 x DN 50/100 zusätzliche Anschlüsse 1 ½“ für Handmembranpumpe Entlüftung DN 70 (Ø 75 mm) max. Förderguttemperatur 55°C Betriebsart S3 – 25% Schutzgrad IP 68 Ausstattung mit pneumatischer Pumpensteuerung für Einzelpumpen freier Durchgang 50 mm Förderhöhe bis zu 8,1 m Spannung 230 Volt Einsatzgebiete Förderung von häuslichem Abwasser aus einer Kellerwohnung oder einem Einfamilienhaus zur Überflurinstallation in frostgeschützten Räumen unterhalb der Rückstauebene Lieferumfang fertig montierte Anlage mit 3,5 m Anschlusskabel zum Motor und 3,5 m Pneumatikschlauch zur Steuerung mit intergrierter Rückschlagklappe DN 100 Übergangsflanschstück DN 100 für Druckleitung (optional DN 80) flexible Verbindung mit Spannschellen für Druck- und Entlüftungsleitung inkl. ZPS1: komfortable, pneumatische Niveausteuerung mit Mikrokontroller, LCD-Klartextanzeige für Füllstand, Wartung, Betriebsstunden und Störmeldungen sowie netzabhängige Alarmanlage im Schaltkasten zur Innenraummontage TECHNISCHE DATEN Herstellerseite

Regulärer Preis: 2.369,00 €
Kompaktboy 1,1 D
Kompaktboy 1,1 D

Abwasserhebeanlage Kompaktboy 1,1 D, 400 V, mit Komfortsteuerung, zur Förderung von häuslichem Abwasser. Kompakt, geräuscharm und leistungsstark. Ausführung Sammelbehälter aus Polyethylen mit 55 l Inhalt (19 l – 45 l Schaltvolumen, je nach Zulauftiefe) Freistromradpumpe mit hohem Wirkungsgrad und geringem Laufgeräusch Abdichtung durch Gleitringdichtung und Wellendichtring mit zwischenliegender Ölkammer Zuläufe für HT-Rohr 3 x DN 100, 3 x DN 50 und 1 x DN 50/100 zusätzliche Anschlüsse 1 ½“ für Handmembranpumpe Entlüftung DN 70 (Ø 75 mm) max. Förderguttemperatur 55°C Betriebsart S3 – 25% Schutzgrad IP 68 Ausstattung mit pneumatischer Pumpensteuerung für Einzelpumpen freier Durchgang 50 mm Förderhöhe bis zu 8,1 m Spannung 400 Volt Einsatzgebiete Förderung von häuslichem Abwasser aus einer Kellerwohnung oder einem Einfamilienhaus zur Überflurinstallation in frostgeschützten Räumen unterhalb der Rückstauebene Lieferumfang fertig montierte Anlage mit 3,5 m Anschlusskabel zum Motor und 3,5 m Pneumatikschlauch zur Steuerung mit intergrierter Rückschlagklappe DN 100 Übergangsflanschstück DN 100 für Druckleitung (optional DN 80) flexible Verbindung mit Spannschellen für Druck- und Entlüftungsleitung inkl. ZPS1: komfortable, pneumatische Niveausteuerung mit Mikrokontroller, LCD-Klartextanzeige für Füllstand, Wartung, Betriebsstunden und Störmeldungen sowie netzabhängige Alarmanlage im Schaltkasten zur Innenraummontage TECHNISCHE DATEN Herstellerseite **FRAGEN SIE IHREN SONDERPREIS AN**

Regulärer Preis: 2.324,00 €
Kompaktboy 1,5 D
Kompaktboy 1,5 D

Abwasserhebeanlage Kompaktboy 1,5 D, 400 V, mit Komfortsteuerung, zur Förderung von häuslichem Abwasser. Kompakt, geräuscharm und leistungsstark. Ausführung Sammelbehälter aus Polyethylen mit 55 l Inhalt (19 l – 45 l Schaltvolumen, je nach Zulauftiefe) Freistromradpumpe mit hohem Wirkungsgrad und geringem Laufgeräusch Abdichtung durch Gleitringdichtung und Wellendichtring mit zwischenliegender Ölkammer Zuläufe für HT-Rohr 3 x DN 100, 3 x DN 50 und 1 x DN 50/100 zusätzliche Anschlüsse 1 ½“ für Handmembranpumpe Entlüftung DN 70 (Ø 75 mm) max. Förderguttemperatur 55°C Betriebsart S3 – 25% Schutzgrad IP 68 Ausstattung mit pneumatischer Pumpensteuerung für Einzelpumpen freier Durchgang 50 mm Förderhöhe bis zu 9,9 m Spannung 400 Volt Einsatzgebiete Förderung von häuslichem Abwasser aus einer Kellerwohnung oder einem Einfamilienhaus zur Überflurinstallation in frostgeschützten Räumen unterhalb der Rückstauebene Lieferumfang fertig montierte Anlage mit 3,5 m Anschlusskabel zum Motor und 3,5 m Pneumatikschlauch zur Steuerung mit intergrierter Rückschlagklappe DN 100 Übergangsflanschstück DN 100 für Druckleitung (optional DN 80) flexible Verbindung mit Spannschellen für Druck- und Entlüftungsleitung inkl. ZPS1: komfortable, pneumatische Niveausteuerung mit Mikrokontroller, LCD-Klartextanzeige für Füllstand, Wartung, Betriebsstunden und Störmeldungen sowie netzabhängige Alarmanlage im Schaltkasten zur Innenraummontage TECHNISCHE DATEN Herstellerseite

Regulärer Preis: 2.448,00 €