Skip to main content Skip to search Skip to main navigation

Kompaktboy Doppel SE 71.4 D

Product information "Kompaktboy Doppel SE 71.4 D"

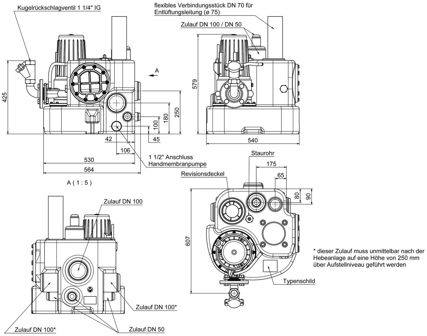
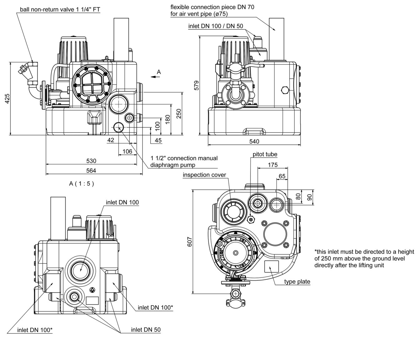
Sewage lifting unit Kompaktboy Duplex SE 71.4 D, 400 Volt, with grinder pumps and comfortable level control, compact, high efficiency and low operation noise

Model
  • polyethylene container with 150 litres capacity and up to 80 litres switching volume
  • two built-up grinder pumps with robust, adjustable cutting system made of corrosion-resistant special alloy
  • two mechanical seals with intermediate oil chamber
  • pressure outlet flange DN 50 with flanged connecting bend and non-return ball valve 1 1/4" FPT
  • inlets: 3 x lateral DN 100 and 1 x top DN 100/150
  • additional connections 1 ½“ for manual diaphragm pump
  • air vent DN 70 (Ø 75mm)
  • operation temperature max. 55°C
  • operating mode S3 - 25%
  • protection grade IP 68 - fully submersible
  • Max. flow rate 17,0 m³/h
  • Head up to 39,0 m
Application
  • pumping of domestic sewage from single-family houses and apartment buildings for greater heads or long pressure pipes
  • above-ground installation in frost-free rooms below the backflow level
Scope of delivery
  • pre-assembled lifting unit with 3,5 m connection cable to the motor and 3,5 m pneumatic tube to the control
  • 2 x 90° pump connecting bend DN 50
  • 2 x non-return ball valve 1 1/4" FPT
  • stainless steel Y-pipe DN 50/50/50 with pressure outlet flange DN 50
  • flexible connection with tension clamps for ventilation pipe
  • incl. ZPS2: comfortable, pneumatic level control with microcontroller, LCD plain text display for filling level, maintenance, operating hours, fault message and alarm signal in switchbox for indoor installation

 

TECHNICAL DATA manufacturer's page

0 of 0 reviews

Average rating of 0 out of 5 stars

Leave a review!

Share your experiences with other customers.


Skip product gallery

Accessory Items

Kompaktboy 1,1 D
Kompaktboy 1,1 D

Single-pump sewage lifting unit Kompaktboy 1.1 D, 400 V, with comfortable level control, for pumping of domestic sewage Model polyethylene container with 55 litres capacity and up to 45 litres switching volume vortex pumps with high efficiency and low operation noise mechanical seal and shaft seal with intermediate oil chamber inlets: 3 x DN 100, 3 x DN 50, 1 x DN 50/100 additional connections 1 ½“ for manual diaphragm pump air vent DN 70 (Ø 75mm) operation temperature max. 55°C operating mode S3 - 25% protection grade IP 68 - fully submersible features with pneumatic pump control for single pumps Free passage 50 mm Head up to 8,1 m Voltage 400 Volt Application pumping of domestic sewage from basement apartments, single-family houses or apartment buildings above-ground installation in frost-free rooms below the backflow level Scope of delivery pre-assembled lifting unit with 3,5 m connection cable to the motor and 3,5 m pneumatic tube to the control with integrated non-return valve DN 100 connection flange piece DN 100 for pressure pipe (DN 80 optional) flexible connection with tension clamps for pressure pipe and ventilation pipe incl. ZPS1: comfortable, pneumatic level control with microcontroller, LCD plain text display for filling level, maintenance, operating hours, fault message and alarm signal in switchbox for indoor installation   TECHNICAL DATA manufacturer's page *ENQUIRE SPECIAL PRICE*

Regular price: €2,324.00
Kompaktboy 1,5 D
Kompaktboy 1,5 D

Single-pump sewage lifting unit Kompaktboy 1.5 D, 400 V, with comfortable level control, for pumping of domestic sewage Model polyethylene container with 55 litres capacity and up to 45 litres switching volume vortex pumps with high efficiency and low operation noise mechanical seal and shaft seal with intermediate oil chamber inlets: 3 x DN 100, 3 x DN 50, 1 x DN 50/100 additional connections 1 ½“ for manual diaphragm pump air vent DN 70 (Ø 75mm) operation temperature max. 55°C operating mode S3 - 25% protection grade IP 68 - fully submersible features with pneumatic pump control for single pumps Free passage 50 mm Head up to 9,9 m Voltage 400 Volt Application pumping of domestic sewage from basement apartments, single-family houses or apartment buildings above-ground installation in frost-free rooms below the backflow level Scope of delivery pre-assembled lifting unit with 3,5 m connection cable to the motor and 3,5 m pneumatic tube to the control with integrated non-return valve DN 100 connection flange piece DN 100 for pressure pipe (DN 80 optional) flexible connection with tension clamps for pressure pipe and ventilation pipe incl. ZPS1: comfortable, pneumatic level control with microcontroller, LCD plain text display for filling level, maintenance, operating hours, fault message and alarm signal in switchbox for indoor installation   TECHNICAL DATA manufacturer's page

Regular price: €2,448.00
Kompaktboy 1,1 W
Kompaktboy 1,1 W

Single-pump sewage lifting unit Kompaktboy 1.1 W, 230 V, with comfortable level control, for pumping of domestic sewage Model polyethylene container with 55 litres capacity and up to 45 litres switching volume vortex pumps with high efficiency and low operation noise mechanical seal and shaft seal with intermediate oil chamber inlets: 3 x DN 100, 3 x DN 50, 1 x DN 50/100 additional connections 1 ½“ for manual diaphragm pump air vent DN 70 (Ø 75mm) operation temperature max. 55°C operating mode S3 - 25% protection grade IP 68 - fully submersible features with pneumatic pump control for single pumps Free passage 50 mm Head up to 8,1 m Voltage 230 Volt Application pumping of domestic sewage from basement apartments, single-family houses or apartment buildings above-ground installation in frost-free rooms below the backflow level Scope of delivery pre-assembled lifting unit with 3,5 m connection cable to the motor and 3,5 m pneumatic tube to the control with integrated non-return valve DN 100 connection flange piece DN 100 for pressure pipe (DN 80 optional) flexible connection with tension clamps for pressure pipe and ventilation pipe incl. ZPS1: comfortable, pneumatic level control with microcontroller, LCD plain text display for filling level, maintenance, operating hours, fault message and alarm signal in switchbox for indoor installation   TECHNICAL DATA manufacturer's page

Regular price: €2,369.00